এই অধ্যায়ের শুরুতে বলা হয়েছিল যে বুলিয়ান এলজেবরা হচ্ছে ডিজিটাল ইলেকট্রনিক্সের ভিত্তি- বিষয়টি কীভাবে ঘটে সেটি এখানে আলোচনা করা হবে। বুলিয়ান এলজেবরায় যে প্রক্রিয়াগুলোর কথা বলা হয়েছিল (পরিপূরক, গুণ এবং যোগ) সেগুলো বাস্তবায়ন করার জন্য ইলেকট্রনিক গেট তৈরি করা হয়। অর্থাৎ যে ইলেকট্রনিক ডিভাইস দিয়ে লজিক বাস্তবায়ন করা যায় সেগুলোকে গেট বলে। বুলিয়ান এলজেবরায় ইনপুট এবং আউটপুট দুটি সংখ্যা (0,1) দিয়ে প্রকাশ করা হয়েছিল। ডিজিটাল ইলেকট্রনিক্সে সেগুলো দুটি ভোল্টেজ দিয়ে বাস্তবায়ন করা হয়। ব্যবহারের প্রয়োজনের উপর নির্ভর করে নানা ধরনের কাজের জন্য নানা ধরনের ভোল্টেজ নির্ধারণ করে দেওয়া আছে।
বুলিয়ান এলজেবরার তিনটি প্রক্রিয়াকে বাস্তবায়ন করার জন্য যে তিনটি ইলেকট্রনিক গেট বা লজিক গেট ব্যবহার করা হয় সেগুলো নিচে 3.2 চিত্রে দেখানো হলো।

এখানে পরিপূরক প্রক্রিয়াটির জন্য NOT গেট, গুণ করার জন্য AND এবং যোগ করার জন্য OR গেট। আমরা ছবিতে পরিপূরক, গুণ এবং যোগ করার জন্য যে সত্যক সারণী তৈরি করেছিলাম সেগুলোর দিকে তাকালেই এই নতুন নামকরণের যৌক্তিকতা বুঝতে পারব। NOT গেটটি একটি ইনপুটের বিপরীত অবস্থান তৈরি করে। AND গেটের আউটপুট 1 হওয়ার জন্য প্রথম এবং দ্বিতীয় দুটি ইনপুটকেই 1 হতে হয়। OR গেটের আউটপুট 1 হওয়ার জন্য প্রথম অথবা দ্বিতীয় যে কোনোটি অথবা দুটিই 1 হতে হয়। আমরা এই গেটগুলোকে মৌলিক গেট বলি কারণ এই তিনটি গেট ব্যবহার করে আমরা যে কোনো জটিল ডিজিটাল ইলেকট্রনিক্স গড়ে তুলতে পারব।

আমরা যদিও দুই ইনপুটের AND এবং OR গেটের কথা বলেছি কিন্তু দুই থেকে বেশি ইনপুটের AND এবং OR গেট রয়েছে। শুধু তাই নয়, ইচ্ছে করলে আমরা দুই গেটের লজিক গেট ব্যবহার করেই দুই থেকে বেশি ইনপুটের লজিক গেট তৈরি করতে পারব।
এবারে আমরা NOT, AND এবং OR গেটগুলো ব্যবহার করে নানা ধরনের সার্কিট তৈরি করে এর ব্যবহারটি শিখে নেব।
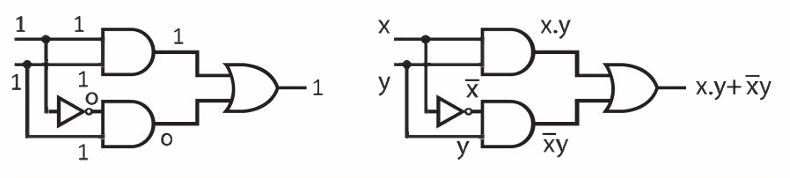
উদাহরণ: নিচে দেখানো সার্কিটের ইনপুট দুটি যদি 1 হয় তাহলে আউটপুট কী হবে? একই সার্কিটে আমরা যদি নির্দিষ্ট মান না দিয়ে ইনপুট দুটিকে x এবং y বলি তাহলে আউটপুট কী?
উত্তর: নিচের ছবিতে দেখানো হলো।




উদাহরণ: তিন জনের ভিতর কমপক্ষে দুজন “হ্যাঁ” ভোট দিলে ভোটে বিজয়ী বিবেচনা করা হবে এরকম একটি সার্কিট তৈরি কর।
উত্তর: পাশের ছবিতে দেখানো হলো।

পরীক্ষা করে দেখ সত্যি সত্যি তিনটির ভেতর কমপক্ষে দুটো যদি 1 হয় তাহলে আউটপুট 1.
উদাহরণ: ধরা যাক তুমি একটি ঘরের আলো দুটি ভিন্নি ভিন্ন সুইচ দিয়ে নিয়ন্ত্রণ করতে চাও। অর্থাৎ আলো জ্বালানো থাকলে যে কোনো একটি সুইচ দিয়ে আলোটা নেভাতে পারবে আবার আলো নেভানো থাকলে যে কোনো একটি সুইচ দিয়ে সেটি দিয়ে জ্বালাতে পারবে।
উত্তর: মনে করি সুইচ দুটি হচ্ছে একটা সার্কিটের দুটি ইনপুট x এবং y, যখন x কিংবা y এর মান 1 তখন সুইচটি অন অবস্থায় আছে এবং যখন মান 0 তখন অফ অবস্থায় আছে। যেহেতু মাত্র দুইটি সুইচ কাজেই আমাদের মাত্র চারটি অবস্থানের জন্য আউটপুট F বের করতে হবে। আলোটি আমরা F আউটপুট দিয়ে প্রকাশ করতে পারি অর্থাৎ যখন F এর মান 1 তখন আলোটি জ্বলবে যখন F এর মান 0 তখন আলোটি নিভে যাবে। যখন দুটি সুইচই অফ, ধরা যাক তখন আলোটি জ্বলছে, অর্থাৎ x=0, y=0 এবং F=1 এটি হবে সত্যক সারণির প্রথম অবস্থান। এখান থেকে শুরু করে আমরা অন্য অবস্থাগুলো বের করতে পারব। এই অবস্থান থেকে যদি যে কোনো একটি সুইচ পরিবর্তন করতে চাই তাহলে সেটা হওয়া সম্ভব: x=0, y=1 কিংবা x=1, y=0 এবং তখন F = 0 হতে হবে (অর্থাৎ আলোটি নিভে যেতে হবে।) আমরা সত্যক সারণির আরো দুইটি তথ্য পেয়ে গেছি। সত্যক সারণির শেষ অবস্থান x=1, y=1, এই অবস্থানে পৌঁছাতে হলে যেহেতু x=0, y=1 কিংবা x=1, y=0 অবস্থানের একটি সুইচের পরিবর্তন করতে হবে, কাজেই F এর মানও 0 থেকে 1 হতে হবে। 5 নং চিত্রে এই লাইট কন্ট্রোল সিস্টেমের ট্রুথ টেবিল এবং নিচের ছবিতে এটি বাস্তবায়ন করার জন্য প্রয়োজনীয় সার্কিটটি দেখানো হয়।
